浙江偉泉泵閥制造有限公司
地址:浙江省溫州市五星工業區
電話:0577-57661031
手機:13625777378(鄭經理)
手機:15270253688(陳經理)
傳真:0577-67917378
郵箱:785972760@qq.com



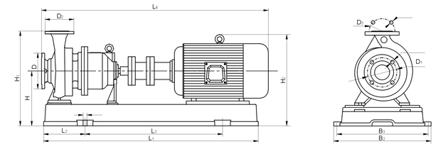
IMC(CIH)系列磁力傳動離心泵是我公司研究開發的新型完全無泄漏 耐腐蝕泵,其技術指標與國外同類產品水平相當。性能、尺寸和標記符 合ISO2858/GB5662/DIN24256標準。外形安裝尺寸與IH型泵一致,方便 用戶IMC(CIH)系列磁力傳動離心泵適用與石油、化工、環保、制藥、食 品、造紙、印染、電鍍、污水處理等行業,是易燃、易爆、易汽化、有 毒、稀有貴重和各種和各種腐蝕液體輸送的理想設備。
[上一條]:CQB-F氟塑料磁力泵
[下一條]:CQB不銹鋼磁力泵